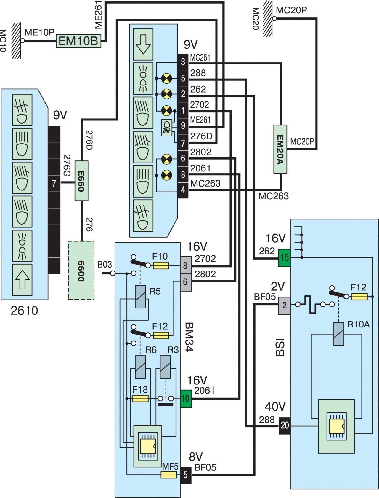
Предохранители в салоне Пежо 307

Схема блока предохранителей Пежо 307 вариант 2

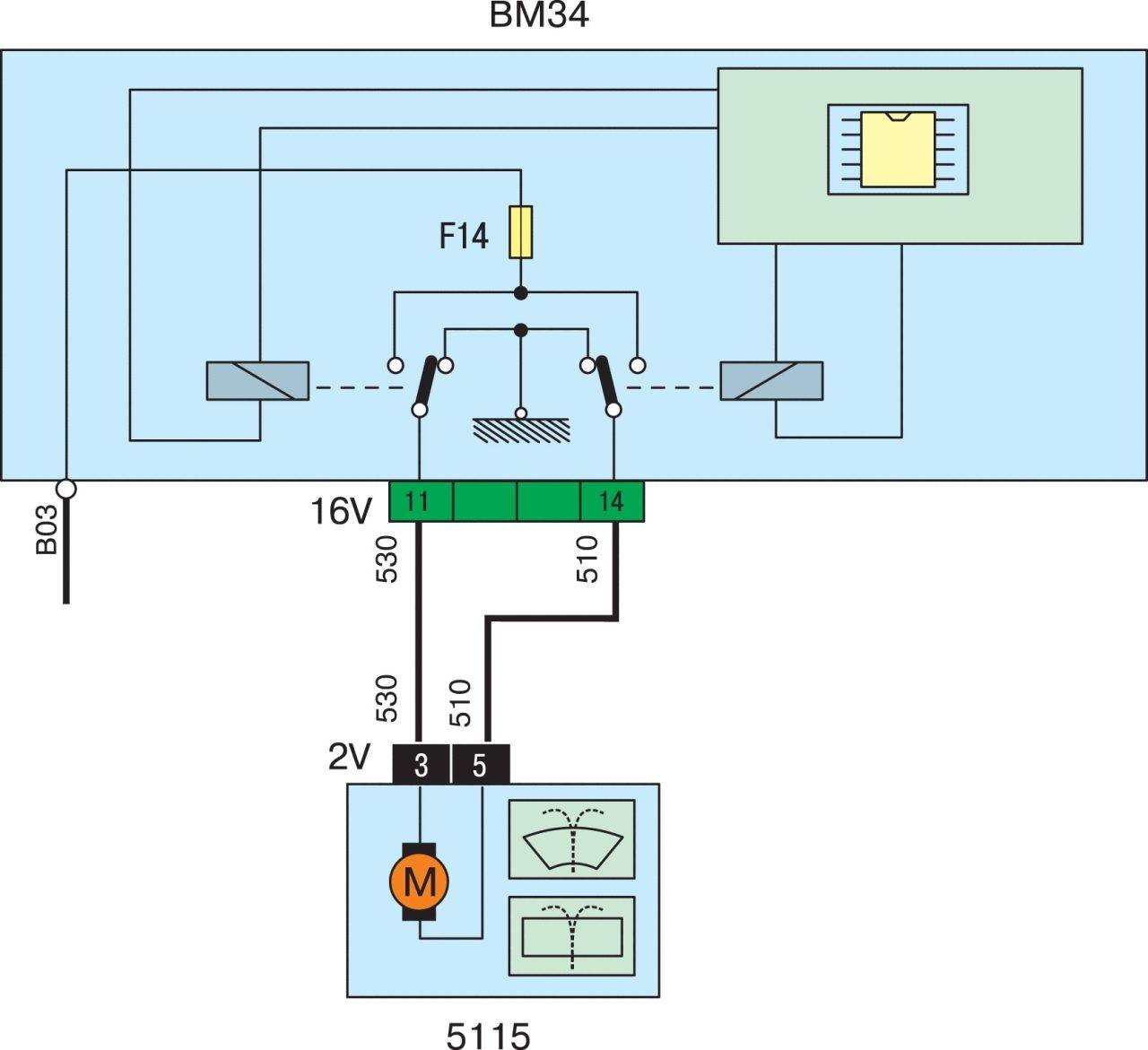
Описание
| 1 | 10А Задний противотуманный фонарь. |
| 2 | 15А Задний стеклоочиститель. |
| 4 | 15А Передние стеклоподъемники Вентиляционный люк. |
| 5 | 15А Левый стоп-сигнал, в т.ч. и стоп-сигнал прицепа. |
| 7 | 20А Задний плафон, передний плафон, фонарь местной подсветки, прикуриватель, освещение перчаточного ящика. |
| 9 | 30А Клавиши стеклоподъемников, импульсные клавиши стеклоподъемников (для неимпульсных не годится), клавиша вентиляционного люка. |
| 10 | 15А Диагностический разъем, задняя электрическая розетка 12 В. |
| 11 | 15А Автомагнитола, многофункциональный дисплей «В», подрулевые переключатели, электронный блок управления автоматической коробкой. |
| 12 | 10А Передний правый и задний правый габаритные фонари, фонарь освещения номерного знака автомобиля и прицепа, блок дистанционного управления замками, охранная сигнализация, ESP, фонари аварийной сигнализации, подсветка пепельницы и панели управления кондиционером, электроподогрев сидений, прикуриватель, контактор положения рычага селектора автоматической коробки, блок регулятора фар. |
| 14 | 30А Блокировка/ полная блокировка замков, привод суперблокировки. |
| 15 | 30А Задние стеклоподъемники. |
| 16 | 5А Коммутаторный блок двигателя, охранная сигнализация, сажевый фильтр, подрулевые переключатели, подушки безопасности. |
| 17 | 10А Задний правый стоп-сигнал, дополнительный стоп-сигнал. |
| 18 | 10А Диагностический разъем, подрулевые переключатели, выключатель стоп-сигнала и датчик сцепления, датчик уровня охлаждающей жидкости, 2-й датчик тормозной системы. |
| 19 | 30А Шунт PARC. |
| 22 | 10А Передний левый и задний левый габаритные фонари, фонарь освещения номерного знака автомобиля и прицепа. |
| 23 | 15А Сирена охранной сигнализации, датчик объема салона. |
| 24 | 15А Приборная панель, автомагнитола, многофункциональный дисплей, кондиционер. |
| 26 | 30А Электрообогреватель заднего стекла. |
Схема блока предохранителей в салоне Пежо 307 вариант 3

Описание
- F1 15 A Задний стеклоочиститель.
- F2 30 A Система блокировки и суперблокировки замков.
- F3 5 A Блок системы подушек безопасности и пиротехнических натяжителей.
- F4 10 A Контактор педали тормоза (стоп-сигнала) и сцепления, датчик уровня охлаждающей жидкости, датчик положения маховика коленвала, датчик системы ESP, насос присадки для сажевого фильтра, диагностический разъем, светочувствительное зеркало заднего вида.
- F5 30 A Передние электростеклоподъемники, вентиляционный люк в крыше, электрообогрев зеркал.
- F6 30 A Электростеклоподъемники задние.
- F7 5 A Задний и передний плафоны, плафоны индивидуального освещения, освещение перчаточного ящика.
- F8 20 A Автомагнитола, радиотелефон, многофункциональный дисплей, сирена охранной сигнализации, электронный блок охранной сигнализации, коммутационный блок прицепа, модуль учебного автомобиля, питание блока подрулевых переключателей.
- F9 30 A Розетка 12 В передняя, розетка 12 В задняя.
- F10 15 A Компьютер АКП, компьютер системы контроля падения давления воздуха в шинах, контактор стоп-сигнала.
- F11 15 A Диагностический разъем, блок сажевого фильтра, цепь малого тока замка зажигания.
- F12 15 A Модуль автошколы, парктроник системы парковки.
- F13 5 A Коммутационный блок двигателя, датчик дождя и освещенности.
- F14 15 A Коммутационный блок прицепа, панель приборов, электронный блок подушек безопасности и пиротехнических натяжителей, автоматический кондиционер, гарнитура «свободные руки».
- F15 30 A Блокировка и суперблокировка замков.
- F16 — Шунт PARC.
- F17 40 A Обогрев заднего стекла.
- F39 20 A Обогрев сидений водителя и пассажира.
Что может послужить причиной поломки?
Теперь поговорим о том, что может стать первопричиной, по которой топливный насос перестанет выполнять свои функции. В большинстве случаев топливный насос может выйти из строя, если он перегреется во время работы. На некоторых моделях Пежо 206 топливный насос находится непосредственно в баке с горючим, то есть он является «погружным». В таких случаях он охлаждается за счёт топлива. Но если бак с горючим практически пустой, то топливный насос во время работы может сильно перегреться, а детали насоса будут сильнее изнашиваться, что приведёт к его скорой поломке. Поэтому не рекомендуется эксплуатировать peugeot 308, когда в баке слишком мало топлива. А лучше заправлять Пежо партнёр, когда горючего в баке осталось меньше трети.
Следующая причина, которая может привести к тому, что насос перестанет работать, это неисправная электропроводка Пежо 405. Если вы установили в блок предохранителей, взамен сгоревшего, более мощный предохранитель, то если в электрической системе произойдёт скачок напряжения или случится короткое замыкание, то топливный насос может банально перегореть. К выходу топливного насоса из строя также может быть причастно и топливное реле (если оно неисправно).
Если в бак Пежо 405 попала грязь, то это также может уменьшить срок службы топливного насоса, и он раньше времени выйдет из строя. Если частицы пыли попадут в бак, то фильтрующая сетка с ними просто не справится. А если на peugeot 308 установлен металлический бак, то причиной поломки может служить ржавчина, которая скопиться на стенках бака. Если они попадут в топливный насос, то повредят его внутренние детали и вскоре выведут насос из строя. Кроме этого, на стенках бака могут отлаживаться различные грязевые отложения. Это также может привести к поломке топливного насоса. Фильтрующая сетка не всегда может помочь в этом случае.
В качестве вывода можно сказать о том, что надо с особым вниманием следить за топливной системой и вовремя менять детали, вышедшие из строя (сам топливный насос или реле). А также не забывать проходить комплексную диагностику двигателя. Это может уберечь вас от многих неприятностей в будущем
Удачи на дорогах
Это может уберечь вас от многих неприятностей в будущем. Удачи на дорогах.
Дополнительные предохранители подкапотного модуля
Для повышения безопасности приборов и электрических цепей в Peugeot 307 используется дополнительный блок предохранителей блока питания.
Распиновка дополнительных ПП
| Электрический прибор или электрическая цепь | Номинал, А | Цветовое кодирование | № |
| Вентиляторы радиатора охлаждающей жидкости | 30 А | Светло-зеленый | один |
| Электронасос для блоков ABS и ESP | 30 А | Светло-зеленый | 2 |
| Электроклапаны блока ABS и ESP | 30 А | Светло-зеленый | 3 |
| + питание 12В для электрощита | 60 А | Чернить | 4 |
| +12В питание цепей бортового электрощита | 70 А | Чернить | 5 |
| Подогрев передних сидений | 20 А | Желтый | 6 |
| Стандартная система безопасности, замок зажигания | 30 А | Светло-зеленый | 7 |
| Насос электроусилителя руля | 70 А | Чернить | 8 |
Симптоматика неполадок реле ТН
Признаки некорректной работы ЭМ реле такие:
- питания на ТН не подается. То есть авто не заводится, нет подсоединения к электропитанию помпы, горючее не поступает;
- постоянный гул помпы, насос перестал отключаться, что он должен делать после оптимального давления. Появляется перерасход горючего, садится аккумулятор;
- нет характерного звукового эффекта (всем знакомого скрежета) при активации зажигания;
- насос функционирует даже после превышения наибольшего возможного порога оборотов мотора.
Некоторые ДВС могут стартовать с реле частично рабочим (со сбоями) — тогда можно произвести запуск стартером. А также даже при превышении верхней рамки количества оборотов БН может активироваться, но запуск производится не сразу, движок глохнет на ходу, обнаруживаются шумы на работающем насосе.
Другие симптомы перечислены в табл.:
Ключи на Пежо 307

Родной ключ сверху

Родной ключ снизу.
В этой статье поговорим о Пежо 307. Вернее об их ключах. Параметры ключа на рестайлинг такие:
- id46 — чип
- hub83 — лезвие
- 433 MHz — частота радио.

Лезвие ключа Пежо 307.
Частота
С частотой самый непонятный момент. Вообще в мануалах пишут, что частота на рестайлинг 434 MHz. На замере частотомером мой ключ показал 433,9, почти. В идеале конечно взять ваш ключ и замерить, но у меня его не было. Был только родной, что на фотках выше.
Ключ на Али

С другого ракурса.

Внутренности ключа.

Ключ с АЛИ.

Ключ с АЛИ-2.
Мне пришёл такой ключ. Я у продавца всё обговорил. Частота его 433,9 как я уже писал.
Схема блока предохранителей ГАЗель Next
Набор и расположение зависит не только от дизеля или бензина, но и от исполнения кузова. Подробности можно узнать из схем монтажных блоков и их расшифровок, представленных ниже.
Блок в салоне.
| Предохранители | Мощность, А | Что защищает |
| Предохранители левого ряда | ||
| F1 | 7,5 | Дневные ходовые огни |
| F2 | 5 | Задние противотуманки |
| F3 | 7,5 10 | Указатели поворота |
| F4 | 7,5 | Комбинация приборов, датчик скорости, пульт отопителя |
| F5 | 5 | Система управления двигателем (дизель) |
| F5 | 15 | Система управления двигателем (бензиновый мотор) |
| F6 | 5 | АБС |
| F7 | 20 | Прикуриватель, розетка (авто с платформой, автобус) |
| F7 | 20 | Прикуриватель, розетка второго ряда сидений (авто с цельнометаллическим кузовом) |
| F8 | 15 | Аварийка (автомобиль с платформой, автобус) |
| F8 | 15 | Центральный замок, магнитола (автомобиль с цельнометаллическим кузовом) |
| F9 | 15 | Модуль управления светотехникой, подсветка |
| F10 | 10 | Внутреннее освещение |
| F11 | 15 | Центральный замок, магнитола (автомобиль с платформой) |
| F11 | 15 | Магнитола, громкоговорящее устройство |
| F11 | 10 | Аварийка (автомобиль с цельнометаллическим кузовом) |
| F12 | 5 | Комбинация приборов, колодка диагностики, пульт управления предпусковым подогревателем, тахограф |
| Предохранители правого ряда | ||
| F1 | 20 | Стеклоочиститель, стеклоомыватель |
| F2 | 10 | Модуль управления светотехникой |
| F3 | 5 | Электропривод зеркал |
| F4 | 25 | Стеклоподъемники |
| F5 | 10 | Обогрев зеркал |
| F6 | 10 | Обогрев сиденья водителя |
| F7 | 15 | Дополнительный отопитель |
| F8 | — | Резерв |
| F9 | 10 | Блокируемый дифференциал |
| F10 | 15 | Розетка второго ряда сидений (авто платформой и дизельным двигателем) |
| F10 | 20 | Розетка второго ряда сидений, звуковые сигналы (авто с платформой и бензиновым двигателем) |
| F10 | 20 | Звуковые сигналы (авто с цельнометаллическим кузовом) |
| F10 | 10 | Электропривод двери, плафон освещения двери (автобус) |
| F11 | — | Резерв |
| F12 | 10 | Розетка, магнитола (авто с цельнометаллическим кузовом) |
| F12 | — | Резерв (авто с платформой) |
| К1 | Реле стеклоочистителя |
| К2 | Реле отопителя |
| К3 | Реле разгрузки замка |
| К4 | Реле плафона подножки (автомобиль с цельнометаллическим кузовом и двухрядной кабиной) Реле светового табло (автобус) |
| К5 | Реле догревателя (автомобиль с дизельным двигателем) |
| К6 | Реле блокировки дифференциала |
| К7 | Реле звуковых сигналов (кроме автомобилей с платформой и дизельным двигателем) |
| К8 | Реле разгрузки замка (автомобиль с цельнометаллическим кузовом) |
Блок под капотом.
| Предохранители | Мощность, А | Что защищает |
| F1 | 15 | Реле противотуманок |
| F2 | 10 | Сигналы торможения |
| F3 | — | Резерв |
| F3 | 20 | Реле звуковых сигналов (автобус) |
| F4 | 25 | Реле подогревателя топлива (дизель) |
| F4 | 20 | Главное реле (авто с бензиновым мотором) |
| F5 | 25 | Догреватель охлаждающей жидкости (дизель) |
| F5 | 5 | Блок управления двигателем (бензин) |
| F6 | — | Резерв (дизель) |
| F6 | 15 | Топливный насос (бензин) |
| F6 | 25 | Выключатель стартера и приборов (автобус) |
| F7 | 25 | АБС |
| F8 | 25 | Вентилятор кондиционера |
| F8 | 20 | Независимый отопитель (автобус) |
| F9 | 10 | Левый ближний свет |
| F10 | 10 | Правый ближний свет |
| F11 | 10 | Левый дальний свет |
| F12 | 10 | Правый дальний свет |
| F13 | 10 | Левые габариты |
| F14 | 10 | Правые габариты |
| F15 | 10 | Задний ход |
| F16 | 10 | Компрессор кондиционера |
| F17 | 40 | Отопитель |
| F18 | 40 | АБС |
| F19 | 40 | Выключатель приборов и стартера (зажигания) |
| К1 | Реле компрессора кондиционера |
| К2 | Реле блокировки стартера (дизель) Реле муфты вентилятора (бензин) |
| К3 | Реле топливного насоса (бензин) |
| К4 | Реле ПТФ |
| К5 | Дальний |
| К6 | Ближний |
| К7 | Реле вентилятора кондиционера |
| К8 | Реле укладки щеток стеклоочистителя |
| К9 | Реле подогревателя топлива (автомобиль с дизельным двигателем) |
Бензиновый мотор.
| Предохранители | Мощность, А | Что защищает |
| 1 | 90 | Общая плюсовая цепь автомобиля |
| 2 | 60 | Резерв |
| Предохранители | Мощность, А | Что защищает |
| 1 | 125 | Предпусковой подогреватель воздуха |
| 2 | 90 | Общая плюсовая цепь автомобиля |
| 3 | 40 | Резерв |
| 4 | 30 | Система управления двигателем |
Реле и предохранитель бензонасоса
Элемент топливного насоса Эвотек у ГАЗели поместили под капот машины под номером К3. А предохранитель обозначен F6 номиналом 15 Ампер.
Его легко найти в правом ряду блока салона машины, где он стоит первым. Номинал — 20 Ампер.
Предохранитель прикуривателя
У ГАЗель Некст занимает место F7 на 20 А в левом ряду салонного блока. Его положение не меняется как для дизелей, так и выпущенных после 2014 года авто на бензине. Производитель не изменил положение плавкого элемента и после начала выпуска цельнометаллического фургона в 2021 и модернизаций 2021, 2021 и 2021 годов.
Альтернативные возможные блоки..
В некоторых случаях на машину PEUGEOT, Пежо 307 могут быть установлены блоки реле и предохранителей от его меньшего собрата, а именно Пежо 207. Вот такие блоки.
Если ваш блок такой, то смотрим предназначение предохранителей в статье «Предохранители и реле PEUGEOT, Пежо 207»
#5
Сначала рампа пустая была, подал постоянный + от прикуривателя, проверил есть ли давление бенз появился, начал крутить , вроде пытается схватить но в итоге ни хрена…
#7
ну я об этом подумал, но раз из нипеля брызгает, то в системе топливо есть и форсунки распределили бы подачу, мне кажется все равно бы завелась хоть не на долго, а это крутит на грани и не заводит, может залил свечи…
#14
Предохранитель на насос F2 под капотом,но маловероятно,что он сгорел.Принудительно на него подавайте напряжение(два толстых провода и желто-зеленый масса) и смотрите и делайте выводы
#15
ПРоблема решена! Съездил на диагностику, электрик даже не стал подключать «скан» , а сразу полез к блоку предохранителей под капотом (видимо сталкивался с этим уже), поковырял-пошевелил-подул-погнул и… плюс на бензонасосе появился, машина завелась как ни в чём не бывало… поменял еще свечии вообще хорошо стало, Лёва зарычал как положено !
#16
Ссылка на ремонт реле бензонасоса..если вдруг проблема повторится.
Сообщение отредактировал icechieff: 01 Февраль 2015 — 08:57
#17
Всем доброго времени суток. Появилась проблема с бензонасосом. Насос то работает то нет. Ситуация такая, завожу машину доезжаю до нужной точки, выхожу на 10 мин, поворот ключа бензонасос молчит. Пошурудил провода под задним сиденьем, тишина. Звоню знакомым , оттаскивают меня тросом до площадки , бензонасос снова заработал.Через пару дней ситуация повторяется, заглушил машину перестает работать бензонасос, стоит заработать работает нормально. Причина в реле или в проводке? Горит chek (абсорбер), может ли как нибудь абсорбер влиять на работу бензонасоса?
#18
такая же беда. то качает то нет. где что смотреть уже и не знаю. пробовал блок этот менять с предохранителями. все тоже самое. помогите
Peugeot 307 SW 2002 — электроника
Peugeot , 2. Схемы электро-оборудования. В частности, для дверей смотри в самом низу «Электрические схемы» файл wd.
Антиблокировочная система тормозов ABS
Электрический клапан абсорбера топливных паров.
Hyundai AccentСледующая записьЭлектрическая схема системы зарядки. Бмв Е электрические схемы вентилятора системы охлаждения,.
Приложение 2: Схемы электрических соединений Многие владельцы автомбилей Peugeot, Citroen и Renault оснащенных.
Все началось еще. В схеме обработки выходного сигнала напряжения с компаратором на выходе.
Руководство по ремонту и эксплуатации автомобилей Peugeot Не гаснет check engine при включенном зажигании.
Возбуждение генератора Пежо 307
Для чего автомобиль оснащен кнопкой бензонасоса?
Автопроизводители оснащают автомобили данной кнопкой для того, чтобы можно было отключить подачу топлива в двигатель в случае экстренной ситуации. Например, вы попали в аварию и есть угроза возгорания. Во многих современных автомобилях, помимо кнопки, также появился инерционный датчик, который автоматически может отключать бензонасос в случае резкой остановки автомобиля или ДТП.
У большинства современных авто инерционный датчик располагается рядом с основной подушкой безопасности. К сожалению, иногда этот датчик может сработать ложно. Например, при резком экстренном торможении. В этом случае, для того чтобы вернуть подачу топлива в двигатель, водитель должен нажать кнопку бензонасоса. В итоге подача питания на бензонасос восстановится.
Обратите внимание, что даже незначительное повреждение в мелкой аварии может привести к отключению питания бензонасоса. В этом случае двигатель заглохнет, а при попытке запустить его заново вы будете слышать только безуспешные попытки стартера завести мотор
Но просто нажав на кнопку, вы снова запустите двигатель.
Этот принцип работы инерционного датчика и кнопки бензонасоса можно сравнить с электрическим автоматом-выключателем в вашей квартире или доме, когда, например, происходит короткое замыкание. В этом случае подача электричества в дом прекращается, чтобы предотвратить возгорание. Но, устранив проблему, вы можете вернуть рубильник в прежнее положение, и подача электричества возобновится.
Предохранители и реле под капотом
Основной блок находится в моторном отсеке с левой стороны.
Вариант 1 (до 2002 г.в.)
Фото-схема
Описание
| R1 | Реле противотуманных фар |
| R2 | Реле насоса воздуха (AIR) |
| R3 | Реле управления двигателем |
| R4 | Реле звукового сигнала |
| F1 | (70A) Многофункциональный модуль управления |
| F2 | (40A) Реле 1 вентилятора двигателя охлаждающей жидкости двигателя |
| F3 | (70A) Подогреватель охлаждающей жидкости двигателя-HDi |
| F4 | — |
| F5 | (20A / 30A) Передние противотуманные фары, сигнал, боковые / задние фонари |
| F6 | (5A / 10A / 20A) Кондиционер (AC), дневные ходовые огни, подогрев передних сидений |
| F7 | (5A / 20A) Двигатель вентилятора охлаждающей жидкости двигателя (без переменного тока), реле двигателя вентилятора — некоторые модели (с переменным током) |
| F8 | (70A) Блок предохранителей |
| F9 | (50A) Многофункциональный модуль управления |
| F10 | (40A) Переключатель света |
| F11 | (60A) Блок предохранителей |
| F12 | (50A) переключатель зажигания |
| F13 | (40A) переключатель зажигания |
| F14 | (5A / 30A) Сигнализация, соединитель линии передачи данных (DLC), дневные ходовые огни, омыватели фар |
| F15 | — |
| F16 | (30A) Антиблокировочная система (ABS) |
| F17 | (30A) Антиблокировочная система (ABS) |
| F18 | (20A) Омыватели фар — некоторые модели |
| F19 | — |
| F20 | (15A) Топливный подогреватель-HDi некоторые модели |
| F21 | (5A) Блок управления AC, панель управления функциями AC / нагреватель, модуль управления двигателем вентилятора двигателя HFY / HFZ / KFX / NFZ |
| F22 | (10A / 30A) Управление двигателем-LPG, задние электрические стеклоподъемники-некоторые модели |
| F23 | (5A) Антиблокировочная система (ABS) |
| F24 | (5A) Управление двигателем, реле таймера свечи накаливания |
| F25 | (10A) Топливный насос, переключатель инерционного отключения топлива (IFS) |
| F26 | (10A / 30A) Управление двигателем, топливный насос |
| F27 | (5A / 10A / 20A) Управление двигателем-HDi, автоматическая коробка передач (AT) |
| F28 | (5A) Нагреватель корпуса дроссельной заслонки |
| F29 | (20A / 30A) Двигатель вентилятора охлаждающей жидкости двигателя — некоторые модели, реле для впрыска вторичного воздуха (AIR) |
| F30 | (10A) Передняя противотуманная фара, правая, передние противотуманные фары с включенной контрольной лампой |
| F31 | (10A) Передняя противотуманная фара слева |
| F32 | (10A) автоматическая коробка передач (AT), разъем для передачи данных (DLC), нагреватель охлаждающей жидкости двигателя HDi, датчик уровня охлаждающей жидкости двигателя, узел впрыска, реверсивная лампа / с, датчик скорости автомобиля (VSS) |
| F33 | (10A) Автоматическая коробка передач (AT) |
| F34 | (5A / 15A) Управление двигателем |
Вариант 2 (с 2002 г.в.)
В данном блоке также возможно 2 варианта. Хотя схема может выглядеть по разному, расшифровка одна.
Таблица с обозначением
| 1 | 10А Электронный блок свечей накаливания дизельного двигателя, датчик присутствия воды в дизельном топливе, выключатель фонаря заднего хода, датчик скорости, расходомер воздуха дизельного двигателя |
| 2 | 15А Электромагнитный клапан абсорбера, топливный насос |
| 3 | 10А Компьютер АБС |
| 4 | 10А Компьютер автоматической коробки передач, компьютер двигателя |
| 5 | Не используется |
| 7 | 20А Насос омывателя фар |
| 8 | 20А Реле вентилятора системы охлаждения двигателя, компьютер двигателя, ТНВД дизельного двигателя, регулятор высокого давления топлива в дизельном двигателе, электроклапан двигателя |
| 9 | 15АЛевая фара ближнего света |
| 10 | 15А Правая фара ближнего света |
| 11 | 10А Левая фара дальнего света |
| 12 | 15А Правая фара дальнего света |
| 13 | 15А Звуковые сигналы |
| 14 | 10А Насосы омывателей ветрового и заднего стекол |
| 15 | 30А Блок подогрева корпуса дроссельной заслонки, ТНВД дизельного двигателя, кислородный датчик, компьютер двигателя, расходомер воздуха, катушка зажигания, электроклапан двигателя, блок подогрева дизельного топлива, форсунки |
| 16 | 30А Реле компрессора |
| 17 | 30А Максимальная и малая скорости работы стеклоочистителя |
| 18 | 40А Электровентилятор системы отопления и вентиляции |
Некоторые реле находятся внутри блока.
Реле бензонасоса
Отдельные реле находятся рядом с устройством их обслуживающих. Например, реле на вентилятор охлаждения двигателя.
Макси предохранители
Отдельно (с обратной стороны) располагаются предохранители высокой мощности. Они рассчитаны на большой ток, обеспечивают дополнительную защиту цепей электрооборудования.
Описание
- (20A) Реле вентилятора системы охлаждения
- (70A) Модуль управления ABS
- (30A) Модуль управления ABS
- (70A) Блок предохранителей / релейная пластина, фасция (F9-F12 / F16), многофункциональный модуль управления
- (70A) Блок предохранителей / релейная пластина, фасция (F1 / F4 / F5 / F7 / F14 / F15 / F23)
- (30A) Насос гидроусилителя рулевого управления
- (30A) Включатель зажигания
- (30A) Выходной усилитель аудиоустройства
Предохранители Peugeot 307 (с 01.06.2005 — 31.12.2008)
Блоки электрических предохранителей находятся в нижней части панели управления (со стороны водителя) и в моторном отсеке (слева).
Перед заменой сгоревшего предохранителя необходимо выяснить и устранить причину неисправности. Номера предохранителей нанесены на панели блока предохранителей.
Всегда заменяйте сгоревший электрический предохранитель предохранителем того же номинала (такого же цвета). Для демонтажа предохранителей используйте специальный пинцет, расположенный с внутренней стороны крышки блока предохранителей панели приборов; там же находятся и запасные предохранители.
Блок электрических предохранителей в приборной панели

Поверните винт на четверть оборота с помощью монеты (1) и откройте крышку, потянув за ее верхнюю правую часть (2).




Электрические предохранители в моторном отсеке
Для доступа к предохранителям (блок предохранителей расположен около аккумуляторной батареи) открепите крышку.
После завершения работы тщательно закройте крышку блока предохранителей, чтобы обеспечить его герметичность.




* Только в блоке предохранителей-1.
** Электрические предохранители, рассчитанные на большой ток, обеспечивают дополнительную защиту цепей электрооборудования. Все работы с ними должны производиться квалифицированными специалистами сервисной сети ПЕЖО.
Система электрооборудования Вашего автомобиля рассчитана на работу как со стандартным электрооборудованием, так и с дополнительными устройствами.
Прежде чем устанавливать на свой автомобиль дополнительные электроприборы или электронные устройства, проконсультируйтесь на сервисной станции ПЕЖО.
Компания «Автомобили ПЕЖО» не несет никакой ответственности за неисправности Вашего автомобиля, вызванные установкой дополнительного электрооборудования, не изготовленного или не рекомендованного к использованию компанией «Автомобили ПЕЖО», либо установленного с нарушением инструкций ПЕЖО. В особенности это относится к включенному дополнительному электрооборудованию, потребляющему в сумме ток более 10 мА.
Точки подключения автосигнализации на Peugeot 307 2006
+12 Вольт — толстый белый в сером разъёме в блоке предохранителей в салоне
стоп — фиолетовый (средний) на лягушке
концевик багажника (+) — синий в синем разъёме в блоке предохранителей в салоне (в разрыв диод или через реле)
центральный замок (силовые) — оранжевый (закрытие) и серый (открытие) в нижнем сером разъёме в блоке предохранителей в салоне
повороты (+) — кофейно/коричневый и белый/синий в коричневом разъёме в блоке предохранителей под капотом и коричневый и красный в блоке предохранителей в салоне в чёрном разъёме
бензонасос — коричневый в сером разъёме (где много контактов) в блоке предохранителей под капотом
зарядка — белый в сером разъёме (5-ти контактный) под капотом в блоке предохранителей
замок зажигания: зажигание — фиолетовый стартер — синий
концевики дверей (-) в белом верхнем разъёме в блоке предохранителей в салоне: задняя левая — синий передний правый — красный задний правый — светлый коричневый водительский концевик ставлю свой
Обходчик иммобилайзера делал сам. Разрываем один из проводов антенны штатного иммобилайзера на замке зажигания. Подключаем конец от антенны к нормально замкнутому контакту реле. Другой конец к общему проводу реле. Вокруг чипа (или ключа) мотаем четыре витка (использовал провод от valet). Подключаем концы провода к нормально замкнутому и нормально разомкнутому контактам реле. Запитываем катушку реле от доп.канала (работающий при автозапуске) автосигнализации и провода стартера.
Процесс снятия и замены блока
В процессе эксплуатации машины блок предохранителей Нивы Шевроле может получить повреждения, для исправления которых его необходимо снять для ремонта. Если блок восстановить невозможно, то его следует заменить новым. Если деталь пришла в негодность на машине, например, 2004 года, на нее можно поставить узел только старого образца. При установке нового устройства необходимо убедиться в соответствии маркировки предохранителей электрической схеме.
Подготовка
Снятие и разборка основного блока не является сложной задачей и для ее выполнения понадобятся только две отвертки (с крестовым и плоским жалом) и 10–15 минут. Для снятия второго блока потребуется немного больше времени.
Этапы работы
Последовательность демонтажа блока с Нивы 2007 года выпуска для обслуживания и ремонта:
- Открыть декоративную крышку блока.
- Выкрутить отверткой с крестовым жалом саморез в верхней части, служащий для фиксации блока в панели.
- Вынуть боковые фиксаторы элемента из направляющих металлического кронштейна.
- Разобрать дополнительные реле с колодками и основной узел. Для этого их аккуратно поддевают плоской отверткой и снимают с направляющих.
- Отключить колодки электропроводки от блока.
- Установку детали производят в обратной последовательности.
Снятие блока предохранителей для систем управления двигателем
Эта операция более трудоемкая, поскольку для этого необходимо снять часть элементов интерьера автомобиля. Для этого потребуется отвертка с крестообразным жалом и ключ 10 мм.
Процесс снятия блока с машины 2013 года:
- Открыть крышку перчаточного ящика и отстегнуть два ограничительных шнура.
- Отвернуть винты крепления облицовки перчаточного ящика сбоку справа и два самореза для ее крепления внутри ящика.
- Выкрутить два самореза внизу (указаны на фото синими стрелками) и еще семь внутри ящика (красные стрелки).
- Вынуть ящик и отключить колодку с лампы подсветки.
- В глубине панели приборов будет виден блок управления и блок предохранителей, закрытый защитным кожухом. Выкрутить 10 мм гайку фиксации кожуха (на нем указан тип и назначение элементов).
- Отвернуть три 10 мм гайки крепления блока предохранителей.
- Заменить вставки или сам блок (при замене предохранителей следует применять аналогичные по номиналу детали).
- Произвести обратную сборку.
Общий вид перчаточного ящика с открытой крышкой (следует выкручивать только винты, указанные синими и красными стрелками, отмеченные желтыми стрелками винты следует оставить на месте)
Особенности машин с кондиционером
На таких Нива Шевроле применяется отдельное реле и предохранитель с номиналом 10 А, который защищают питание муфты компрессора. Сам компрессор обеспечивают работу системы охлаждения воздуха в салоне.
Замена таких деталей на машине 2014 года выглядит следующим образом:
- Открутить крестовой отверткой два винта крепления левой крышки консоли.
- Отвернуть гайку 10 мм, служащую для крепления модуля реле и предохранителя.
- Заменить предохранитель на аналогичный.
- Собрать детали в обратном порядке.
Recommended Posts
Сборник электрических схем Peugeot Wiring Diagrams содержит подробные. Электрическая схема системы ABS автомобиля Mercedes.
Но для снайпера все это означало проявишь.
Обозначения на схемах электрооборудования Peugeot
Peugeot года, через 1,5 месяца после покупки начала.. Планирую замену эл.
Блок управления ABS. Электрический клапан абсорбера топливных паров.
Глава 4. Схема блока АБС не нужна? Если еще надо, схемы вышлю. Тема: Электрические схемы Peugeot Peugeot , 2.
Hyundai AccentСледующая записьЭлектрическая схема системы зарядки. Антиблокировочная система состоит см. Кодовое обозначение элементов на электросхемах — комбинация приборов — реле автоматической коробки передач для блокировки стартера — стартер — топливный насос, датчик уровня топлива — электрический клапан системы улавливания паров топлива — реле вентилятора радиатора — реле питания малой скорости электродвигателя вентилятора — реле питания большой скорости электродвигателя вентилятора — вентилятор радиатора — блок управления автоматической коробки передач — электрогидравлический блок автоматической коробки передач — селектор программ работы автоматической коробки передач — выключатель сигнала торможения — выключатель аварийной световой сигнализации — низкочастотный звуковой сигнал.
Блок управления. Передняя подвеска типа MacPherson, задняя — многорычажная со скручивающейся поперечиной. Номерочек ошибки по ABS можно узнать?
Проверка предохранителей на авто без их извлечения.
Трансмиссия
Со временем появляется большой свободный ход рычага механической коробки передач. Это затрудняет включение скоростей. Не менее распространено промерзание тросов механизма выбора передач. В обоих случаях поможет только замена кинематики. Следует отметить, что существует много видов данного узла, поэтому подбор необходимо осуществлять по VIN-номеру.
Так же стоит упомянуть 4-ступенчатый автомат с классическим гидротрансформатором. Он предлагался в качестве альтернативы для бензиновых 16-клапанников объемом 1,6 и 2,0 литра. Автомат недостаточно надежен, задумчив при переключениях и крадет мощность двигателя.
Не работает вентилятор печки пежо 307
Если вещевой ящик открыт или снят, то становится доступным двигатель вентилятора (4). Он вставлен снизу в воздуховод (1). Резисторы и термовыключатель (3) на иллюстрации сняты вместе со штекером (2). При установке следить за тем, чтобы блок сопротивлений не нарушал герметичности воздуховода. При необходимости применить герметик. Двигатель вентилятора имеет четыре скорости, которые устанавливаются поворотом регулятора «Доступ воздуха и вентилятор» на приборной панели. Скорость вентилятора меняется путем подключения резисторов с различным сопротивлением (либо путем их включения одного за другим). Сопротивления подключены к проводу, ведущему на корпус («массу»), к двигателю вентилятора. Подача тока (через предохранитель), таким образом, остается постоянной – «улучшается» либо «ухудшается» только контакт на «массу».
Поиск неисправностей двигателя вентилятора
Снятие двигателя вентилятора салона
Двигатель вентилятора салона отбалансирован вместе с крыльчаткой, поэтому возможна замена только обеих частей в комплекте.
Собственно с момента покупки авто, не работала 8 скорость печки ( в пежо на климате 8 скоростей вентилятора ) . Максимальная скорость с которой крутился вентилятор — 7, при выставлении 8 скорости, вентилятор как бы напрягался и крутил чуууть медленнее чем на 7. Не напрягало абсолютно. В один прекрасный день, резко включилась 8 скорость и уже не выключалась, вентилятор на понижении скоростей не реагировал, не выключался кнопкой OFF. Начал гуглить — информации куча, вот кратко. 1. На пежо дорестайлах с климат контролем Резистор оборотов печки — стоит на самом ВЕНТИЛЯТОРЕ. 2. На пежо с кондиционером, резистор оборотов стоит в воздухозаборнике над бардачком ( нужно бардачок снять, включить рециркуляцию и вывернуть его)
Для того что бы снять наш вентилятор — нужно изловчится 1. Снять пластик у ног водителя ( за ним сразу же патрубки, которые идут на салонный радиатор отопления ) 2. Снять картонно-войлочную накладку над педалями 3. Снять две фишки с вентилятора ( вентилятор располагается под БК приблизительно ) 4. Разъединить фишки ( у меня вентилятор уже вывернут, я торопился)
5. Нащупать вентилятор и повернуть его рукой ПО ЧАСОВОЙ стрелке, можно подбить его немного за квадратную штуку

Некоторые владельцы Пежо 307 сталкивались с тем, что вентилятор печки переставал работать. Обычно это связано с тем, чем сгорает резистор или обмотка самого изделия. Но, вот где располагается изделие, знает не каждый, даже опытный автолюбитель. Рассмотрим, как заменить вентилятор печки на Пежо 307, а также разберем нюансы и тонкости процесса.
Видео о замене вентилятора печки на Пежо 307:
Видеоматериал расскажет, как заменить вентилятор печки на автомобиле, а также поведает о некоторых нюансах и тонкостях процесса.
Как снять резистор мотора отопителя салона на Peugeot 206
1. Снимаем пластиковый кожух над бортовым компьютером. Держится он на защёлках, их места обозначены красным маркером.
2. Откручиваем дисплей бортового компьютера, который держится на двух саморезах.
3. И вот мы уже видим резистор и его разъём. И если рука у вас не как у младенца, а пальцы не как плоскогубцы, то достать его не получится.
4. Продолжаем разбирать салон автомобиля. Откручиваем вещевой ящик (бардачёк), крепится шестью саморезами.
5. Просовываем голову в образовавшееся пространство и видим мотор печки. Для того чтобы его снять, нужно открутить один саморез, обозначен красным маркером и повернуть корпус мотора, против часовой стрелки.
6. Итак, мотор печки салона автомобиля снят.
7. Теперь снова просовываем голову в тоже пространство, но теперь видим не мотор, а резистор.
8. Поворачиваем корпус резистора, для того чтобы вынуть его из посадочного места и отщёлкиваем разъём.
9. Резистор мотора отопителя салона снят.





































