Защита
УЗ для АКБ что броня для танка, так что с него и начнем. УЗ для самодельного ЗУ АКБ желательно делать, разумеется, попроще. Далее, УЗ также желательно строить автономным, чтобы через него можно было подключать АКБ к любому ЗУ, схема которого вам приглянется, или которое у вас уже есть. И последнее, УЗ должно срабатывать как можно четче и быстрее, для возможности использования его в схемах заряда современных аккумуляторов с герметичными банками.

Малоэффективные схемы защиты автоаккумуляторов
Простейшая защита от переполюсовки диодами Шоттки (слева на рис.) не спасет от экстратока перезаряда или при неправильном подключении исправной недозаряженной АКБ. Разве что путем сгорания недешевой диодной сборки. Если аккумулятор «новый, хороший», то, пока руки не дойдут до «нового, хорошего» ЗУ, может выручить интегрированная защита по схеме справа; ее можно встроить в уже имеющийся самодельный лабораторный ИП.
В данной схеме используются медленный отклик АКБ на скачок напряжения и гистерезис реле: их ток (и напряжение) отпускания в 2,5-4 раза меньше тока/напряжения срабатывания. Любое ЗУ АКБ включают только с подключенной АКБ. Реле – переменного тока на напряжение срабатывания 24 В и ток через контакты от 6 (9, 12) А. При включении ЗУ реле срабатывает, контакты его замыкаются, пошел заряд. Напряжение на выходе трансформатора падает ниже 24 В, но на выходе ЗУ остается 14,4 В, выставленных заранее под нагрузкой R3 в схеме стабилизации напряжения. Реле пока держит, но, вдруг пошел экстраток, первичное напряжение просядет больше, реле отпустит и цепь заряда разорвется.
Недостатки у этого ЗУ серьезные. Во-первых, нет защиты от скачка напряжения по выходу от переполюсовки истощенной АКБ. Во-вторых, нет самоблокировки: от экстратока реле будет хлопать и хлопать, пока контакты не обгорят. В-третьих, нечеткое срабатывание: любое реле по недонапряжению на обмотке отпускает с дребезгом контактов. Поэтому пытаться ввести в эту схему регулировку тока срабатывания бессмысленно. И, наконец, реле и трансформатор Т1 должны быть подобраны друг к другу, т.е. повторяемость данного устройства близка к нулевой.
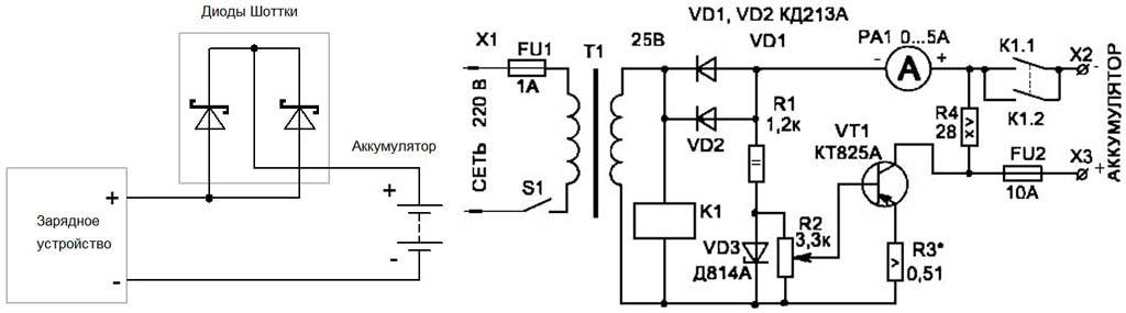
Схема УЗ, полностью соответствующая указанным выше требованиям, дана на рис.:

Простая схема защиты аккумулятора автомобиля от перезаряда, перенапряжения и переполюсовки
Ток заряда течет через нормально замкнутые контакты реле K1, что намного уменьшает вероятность их обгорания. Обмотка K1 подключена по логической схеме диодного «или» к модулю защиты от экстратока (R1, VT1, VD1), модулю защиты от перенапряжения (R2, R3, R4, VT2, VD2) и цепи самоблокировки K1.2, VD3; порог срабатывания K1 по перенапряжению устанавливается R3. Недостаток у этого УЗ всего один, его нужно налаживать с использованием балластной нагрузки и мультиметра:
- Выпаивают (или пока не запаивают) K1, VD2 и VD3.
- Вместо обмотки K1 включают мультиметр, установленный на измерение напряжения 20 В.
- Вместо АКБ подключают резистор не менее чем на 25 Вт сопротивлением 2,4 Ом для тока заряда 6 А, 1,6 Ом на ток заряда 9 А и 1,2 Ом на ток 12 А; его можно накрутить из той же проволоки, что и R1.
- Подают на вход напряжение 15,6 В от ЗУ. Мультиметр покажет напряжение (токовая защита сработала), т.к. сопротивление R1 выбрано с небольшим избытком.
- Уменьшают немного напряжение ЗУ, пока мультиметр не покажет 0. Записывают полученное значение выходного напряжения ЗУ. Альтернатива – неизменное напряжение ЗУ и трудоемкая подгонка R1.
- VT1 выпаивают, K1 и VD2 запаивают на место, движок R3 ставят в крайнее нижнее по схеме положение.
- Напряжение ЗУ увеличивают, пока на нагрузке не окажется 15,6 В.
- Плавно вращают движок R3 до срабатывания K1.
- Уменьшают напряжение ЗУ до записанного ранее значения.
- Впаивают на место VT1 и VD3 – схема готова к финальным испытаниям.
- Через амперметр подключают исправную недозаряженную АКБ; к ней – мультиметр, установленный на напряжение.
- Пробный заряд проводят с непрерывным контролем. Когда мультиметр покажет 14,4 В на АКБ, засекают ток содержания. Скорее всего он будет в норме для данной АКБ (см. выше); желательно, чтобы ближе к нижнему пределу.
- Если ток содержания великоват, еще немного уменьшают напряжение ЗУ.
Плюсы и минусы самодельного ЗУ
Несомненным плюсом самодельного прибора для подзарядки батареи служит его низкая себестоимость.
В качестве комплектующих для пуско-зарядного прибора нередко применяют детали разных бытовых приборов. Даже в случае приобретения всех необходимых для монтажа прибора деталей, оно обойдется заметно дешевле готового устройства.
К недостаткам самодельного приспособления относится примитивное устройство, исключающее автоматическое отключение прибора при достижении батареей максимального заряда. Из-за этого возникает необходимость постоянно следить за процессом.
Опытные мастера-радиолюбители находят выход из ситуации, дополняя прибор самодельными автоматическими датчиками.
ПИ или ИБП?
В наши дни компьютерный импульсный блок питания (ИБП) может оказаться доступнее трансформатора на железе; вдруг он просто в хламе валяется. ИБП часто переделывают в лабораторные БП, но, вообще говоря, это плохой вариант. Выходное напряжение по каналу +12 В удается задрать максимум до 16-17 В, чего для конструкторско-исследовательских целей маловато. А уровень импульсных помех на выходе тогда, мягко говоря, великоват. Как налаживать УМЗЧ с собственными шумами в –66 дБ (что еще очень скромненько), если по питанию «шерсти прет» на –44 дБ или хуже того? Но вот зарядка для аккумулятора автомобиля на 60 А/ч из ИБП получается отличная, и отдельную защиту городить не надо, все уже есть. Переделывают ИБП в авто ЗУ в целом след. образом:
- Удаляют выходные провода кроме желтых (+12 В), черных (общий, масса, GND) и зеленого провода логического включения PC ON;
- Провод PC ON закорачивают на массу (соединяют с любым из черных);
- Ставят механический выключатель сети, если нет штатного сзади;
- По схеме или руководствуясь собственным опытом, ищут в обвязке стабилизатора +12 В резистор в цепи обратной связи Rcs;
- Заменяют его потенциометром на 10 кОм Rн;
- Вращая движок Rн, устанавливают в канале +12 В напряжение +14,4 В;
- Замеряют полученное значение Rн и вместо Rcs впаивают постоянный резистор ближайшего номинала из стандартного ряда, допуск на разброс до 2%;
- По возможности встраивают в ИБП универсальный указатель напряжения и тока (см. далее) для контроля заряда, питание его – от цепи заряда или +5 В (красный провод);
- Сводят желтые и черные провода в отдельные жгуты, надежно присоединяют к ним токовые шланги с зажимами для подключения к АКБ – зарядка готова!
Что такое импульсное зарядное устройство?
В отличие от трансформаторных собратьев импульсные зарядные устройства заряжают батарею не постоянным током какого-либо значения, а импульсами. Для их образования используется современная элементная база – громоздкие трансформаторы при этом не потребуются. Импульсная зарядка аккумулятора происходит в режиме как постоянного тока, так и постоянного напряжения, плюс комбинированный цикл
А это очень важно, например, для необслуживаемых АКБ
Принцип действия
Если смотреть по конструкции, речь идёт об устройстве, восстанавливающем заряд автомобильной АКБ особым образом. В импульсное зарядное устройство для автомобильного аккумулятора входят:
- небольшой импульсный трансформатор;
- диодный выпрямитель;
- блок стабилизации;
- система индикации (аналоговые приборы или цифровой дисплей);
- электронный модуль, контролирующий процесс заряжания.
Как действует ИЗУ? Электронная схема и трансформатор генерируют высокую частоту, с помощью которой входное напряжение от сети повышается. При этом активно применяются фильтры (в состав которых входят электролитические конденсаторы), задерживающие помехи и сглаживающие напряжение на выходе. Далее происходит его преобразование с одновременным понижением до требуемого значения. К аккумулятору поступает ток, величина которого контролируется дополнительными электронными блоками. По окончании процесса диодный выпрямитель блокируется, зарядка прекращается.
Особенности
Все импульсные зарядки несложны в эксплуатации и имеют свою классификацию. В магазине вы встретите ИЗУ нескольких типов:
- Ручные: относительно недорогие устройства, требующие постоянного контроля над процессом заряжания: то есть придётся периодически подстраивать U и I, следить за временем процесса.
- Полуавтоматы: здесь часть процессов происходит без участия автовладельца – ему необходимо лишь учитывать продолжительность процедуры.
- Автоматы: программируемые устройства, способные сначала определять состояние АКБ, потом выбирать оптимальный режим её восстановления и заряжать с последующим автоматическим отключением.
Специальный режим зарядки
С помощью ИЗУ батарею можно зарядить постоянным током, напряжением либо использовать комбинированный режим, о чём будет написано далее. Но у многих импульсников существует и специальный метод восстановления АКБ, называемый BOOST. Это чрезвычайный режим, обеспечивающий подзарядку аккумулятора в течение максимум 10 минут. По окончании такого срока двигатель запустится, даже если аккумулятор был разряжен очень сильно.
Но часто пользоваться подобным режимом нежелательно: постоянное сильное воздействие на пластины-электроды быстро приведёт к их разрушению, и батарея потеряет работоспособность окончательно через 2–3 месяца. Применять BOOST можно лишь в крайних случаях: когда нужно срочно ехать, а батарея оказалась разряженной.
Преимущества и недостатки
Чем же обусловлена популярность импульсных устройств у автолюбителей? На это есть довольно веские причины:
- Небольшие габариты: некоторые импульсники можно свободно поместить даже в бардачок авто. Поэтому зарядник легко взять с собой в длительную поездку при сильном морозе, чтобы после ночёвки не испытывать проблем с запуском мотора.
- Лёгкость в эксплуатации: разобраться с управлением прибором сможет даже человек, не искушённый в тонкостях электроники.
- Программное обеспечение в самых современных ИЗУ исключает присутствие человека при процессе заряжания, в крайнем случае его участие сводится к минимуму.
- Импульсные зарядки имеют всевозможные виды защиты от замыканий, переполюсовок и т. п.
- Автоматический режим работы не допускает перегрев АКБ и продлевает эксплуатационный ресурс батареи.
- В некоторые ИЗУ интегрирована система подсказок. При неправильном подключении или неверном выборе режима тревожный сигнал, информация на дисплее подскажут, что нужно делать, чтобы правильно зарядить АКБ.
А что можно сказать об отрицательных сторонах этого зарядного устройства? Здесь стоит выделить пару главных моментов. Первый заключается в относительно высокой стоимости аппарата. Взглянув на цену, большинство покупателей тут же переходят к полке с трансформаторными ЗУ. Поэтому импульсники чаще можно встретить в автосервисах, на станциях ТО, в частных мастерских.
Второе – наличие множества датчиков, приборов, сложной электронной схемы. Всё это очень сильно помогает в процессе работы. Но в случае поломки одного из элементов ремонт может вылиться в копеечку. Да такую, что, возможно, придётся задуматься о приобретении другого аппарата.
Принцип работы
Аккумуляторная батарея автомобиля требуется зарядка при снижении напряжения на контактах ниже отметки в 11,2 В. Хотя даже в такой ситуации двигатель может быть запущен, в случае продолжительного простоя автотранспортного средства в АКБ начинают протекать реакции сульфатации пластин, что неизбежно приведет к падению емкости батареи.
Именно поэтому в зимнее время года настоятельно рекомендуется в гараже или на стоянках подзаряжать АКБ и отслеживать напряжение на ее клеммах.
Аккумуляторная батарея заряжается под воздействием импульсного либо постоянного тока. Во втором случае сила тока должна быть равна 0,1 от емкости батареи. Например, при емкости АКБ в 55 А/ч, то сила зарядного тока должна соответствовать 5,5 А. Если этот параметр будет ниже, то предотвратить активацию процессов сульфатации не удастся .
Также следует помнить, что существует достаточно надежный способ десульфатации. Для этого необходимо предварительно разрядить батарею до 3−5 вольт с помощью высоких токов небольшой длительности, например, включая стартер. После этого следует провести полную зарядку аккумулятора током в 1 А. Эту процедуру необходимо повторять от 7 до 10 раз.

Аналогичный принцип работы имеют специальные десульфатирующие зарядные устройства. На протяжении нескольких миллисекунд на клеммы батареи подается импульсный ток с обратной полярностью, а затем более длительный импульс прямой полярности.
Также следует помнить, что во время зарядки АКБ нельзя допускать достижения ею максимального заряда. Это может привести к увеличению концентрации и плотности раствора электролита, что произведет разрушающее воздействие на пластины. В заводских ЗУ для предотвращения этого явления используется электронная система контроля и автоматического отключения.
ЗУ с дискретным регулированием
Регулировка тока и напряжения производится с помощью набора балластных конденсаторов С1 – С4 и тумблеров S1 – S4.
- Включением тумблеров S1 – S4 в различных сочетаниях, можно ступенчато регулировать ток с дискретностью примерно в 1 А.
- Всего существует 16 комбинаций положений тумблеров, т.е схема реализует 16 значения зарядного тока и напряжения, что вполне достаточно для качественной зарядки.
- Схема надежная, хорошо себя зарекомендовала, но требует тщательного согласования величины емкостей С1 – С4 с напряжением вторичной обмотки.
- После сборки нужно произвести предварительную проверку и настройку на активной нагрузке, например, на автомобильных лампах.









В этом устройстве на выводы батареи подаются прямоугольные импульсы выпрямленного напряжения с регулируемой скважностью (соотношение длительности импульсов и пауз между ними). От нее зависит величина среднего зарядного тока

Регулировка производится потенциометром Р5, задающего скважность генератора, собранного на микросхеме DD. Более подробная информация об этой схеме содержится в №11 журнала «Радио» за 2011 г

Как работает АКБ
Свинцовые АКБ заряжают током, равным току их 10-часового разряда: 6 А для АКБ на 60 А/ч, 9 А для 90 А/ч, 12 А для 120 А/ч. Больший ток вызовет перегрев и, возможно, вскипание электролита, отчего ресурс батареи резко снижается вплоть до полной негодности. Меньший зарядный ток ресурс АКБ практически не увеличивает, но удлиняет время заряда.
Зарядный ток в АКБ течет обратно рабочему. Важнейшее условие при этом – напряжение на АКБ не должно превысить 2,7 В на банку (8,1 В для 6 В АКБ, 16,2 В для 12 В АКБ, 27 В для 24 В АКБ), иначе начнется химическое разложение электролита, пластин, и АКБ закипит даже при небольшом зарядном токе. Чтобы полностью исключить закипание, допустимое напряжение заряда ограничивают 2,6 В на банку (7,8 В, 15,6 В, 26 В соотв.); при этом недозаряд по энергии составит менее 5% и усиления сульфатации не будет.
Если отключить полностью заряженную АКБ от ЗУ, дать ей остыть и померить напряжение без нагрузки, увидим 2,4 В на банку (6,8 В, 14,4 В, 24 В). В работе при разряде напряжение АКБ плавно падает до 1,8 В на банку (5,4 В, 10,8 В, 21,6 В), после чего батарея считается полностью разряженной. На самом деле в ней остается ок. 25% «закачанной» при заряде энергии, и способы «высосать» ее в экстренной ситуации до последнего эрга есть, но АКБ после этого придется сдать на утилизацию. Выбрасывать нельзя, там свинец.
Температурная зависимость напряжения полностью заряженной АКБ существенна. Если дать заряд на АКБ, еще не остывшую от экстратока разряда (стартер в момент пуска берет до 600 А, а крутящий до 75 А), то напряжение на ней может резко прыгнуть, т.к. отклик свинцового аккумулятора током потребления на скачок приложенного напряжения сильно, по меркам электроники, затянут, до десятков мс. Получим саморазогрев и вскипание электролита на борту. Поэтому в бортсети машины напряжение на АКБ ограничивают 2,35 В на банку (7,05 В, 14,1 В, 23,5 В), что и вызывает хронический недозаряд.
При заряде от внешнего ЗУ напряжение на АКБ ограничивают величиной 2,4 В на банку (6,8 В, 14,4 В, 24 В), т.к. «наливать энергии по горлышко», до 2,6 В на банку, рискованно – АКБ при заряде греется и может уйти в саморазогрев. Полностью АКБ дозаряжают и предохраняют от саморазряда т. наз. током содержания, равным 0,5-1 тока 100-часового разряда (0,3-0,6 А, 0,45-0,9 А и 0,6-1,2 А для АКБ на 60 А/ч, 90 А/ч и 120 А/ч соотв.); напряжение на батарее при этом не должно превысить 2,6 В на банку. Практически для этого в ЗУ ставят защиту от перенапряжения на 15,6 В для 12 В АКБ, 7,8 В и 26 В для 6 В и 24 В АКБ. Если она сработала, АКБ приняла энергии, сколько может, и дальше ее заряжать нельзя.
Схемы регуляторов тока на микросхемах
Выше мы рассмотрели несколько схем зарядных устройств с ручной регулировкой. Основной их недостаток – отсутствие стабилизации. В процессе зарядки АКБ ток через нее уменьшается, а это значит, что придется постоянно контролировать и подстраивать этот параметр. Но построить стабилизированный источник питания ненамного сложнее. Для начала несколько схем регулятора тока для зарядного устройства со стабилизацией, которые можно использовать для построения стационарных ЗУ.
Стабилизатор
Эта схема позволяет заряжать шести- и двенадцативольтовые батареи током одной, заранее установленной стабильной величины до 10 ампер.
Стабилизатор тока для зарядного устройства
Сердцем узла является интегральный стабилизатор напряжения, включенный по схеме токовой стабилизации. Величина зарядного тока будет зависеть от номинала резистора R4, который можно рассчитать по формуле:
I = 1.2/R,
где:
- I – необходимый зарядный ток в А;
- R – номинал резистора R4 в Ом.
Поскольку сама по себе микросхема КР142ЕН12А маломощная, для обеспечения большей мощности используются транзисторные ключи T1 и T2, включенные параллельно. Резисторы R1 и R2 – токовыравнивающие. Они компенсируют разброс параметров транзисторов.
Резисторы R1, R2, R4 изготавливаются из отрезков обмоточного провода необходимой длины, которые для большей компактности свернуты в спираль. Транзисторы VT1 и VT2 можно установить на один общий радиатор без изолирующих прокладок. Площадь рассеяния радиатора – 300 см2. Если на место R4 установить мощный реостат сопротивлением 0.8 Ом, то легко получить регулируемый стабилизатор.
Регулятор-стабилизатор
Эта схема является регулируемым стабилизатором и в отличие от предыдущей имеет более высокий КПД, поскольку рассеиваемая мощность на токозадающем резисторе намного меньше из-за его низкого сопротивления.
Узел собран на операционном усилителе LM358 и полевом транзисторе IRFZ44. Регулировка зарядного тока производится при помощи переменного резистора R3. Резистор R5 является токозадающим.
На месте T1 может работать транзистор STP55NF06, стабилитрон 1N4734A заменим на любой маломощный с напряжением стабилизации 5.6 В. Отечественные аналоги микросхемы LM358 – КР1401УД5, КР1053УД2, КР1040УД1. Полевой транзистор устанавливаем на радиатор.
Как грамотно зарядить АКБ
Применяют разные пути подзарядки:
- постоянным подаваемым напряжением;
- постоянным электрическим током.
Оба варианта имеют свои нюансы.

Применение напряжения с равномерной подачей уместно при показателе заряда больше 12,3 В. При подзарядке к клеммам накопителя подключают подачу энергии от 14,2 до 14,7 В. Процесс не нужно контролировать. Об его завершении свидетельствует окончание потребления тока аккумулятором до ноля.

Минусом этого способа зарядки служит возможность подачи потенциально высокого тока на начальном этапе зарядки. К плюсам можно отнести отсутствие потребности контролировать процесс.

Оптимальным вариантом является применение постоянного тока. Зарядка происходит с постоянной мощностью, равной десятой части емкости аккумулятора. Отключение выполняют при наборе батареей 14,7 В. Существенным минусом этого способа служит необходимость контроля за напряжением АКБ. Иначе ее несложно испортить.
Обратите внимание!
- Лабораторный блок питания своими руками | Пошаговая инструкция как и из каких элементов построить блок питания
Антенна для цифрового тв своими руками — фото инструкции как сделать простейшие антенны для digital TV
- Индукционный нагреватель своими руками — инструкция как сделать простой и мощный нагреватель

Правильная зарядка
Существует два метода зарядки автомобильной батареи — постоянным напряжением и постоянным током. У каждого свои особенности и недостатки:
- Зарядка постоянным напряжением — годится для восстановления заряда не полностью разряженных батарей, напряжение на клеммах которых не ниже 12.3 В. Процесс заключается в следующем: к клеммам батареи подключают источник постоянного тока напряжением 14.2–14.7 В. Окончание процесса контролируют по току потребления: когда он упадёт до нуля, зарядка считается оконченной. Недостаток такого способа — возможно большой начальный зарядный ток; чем сильнее батарея разряжена, тем выше ток. Преимущества метода очевидны — вам не нужно постоянно регулировать ток зарядки, аккумулятору не грозит перезарядка, если вы про него забудете.
- Зарядка постоянным током — самый распространённый и надёжный способ. В этом режиме ЗУ выдаёт постоянный ток, равный 1/10 ёмкости батареи. Окончание процесса зарядки определяется по напряжению на батарее — когда оно достигнет 14.7 В, заряжать батарею прекращают. Недостаток такого метода — батарею можно испортить, не сняв вовремя с зарядки.
Таблица оценки состояния аккумулятора.
Часто задаваемые вопросы
В чем главная функция зарядного устройства для автомобиля?
Все ЗУ выполняют одну работу – преобразуют переменное напряжение 220 В в постоянное – 13,8-14,4 В.
Что нужно для простого самодельного зарядного устройства?
Для изготовления простейшего зарядного устройства понадобиться всего лишь две составные части – трансформатор и выпрямитель.
Сколько нужно предохранителей для самодельного зарядного устройства в автомобиль?
Один из них рекомендуется установить на «плюсовом» выводе с диодного моста. Этот предохранитель должен быть рассчитан на ток не более 10 А. Второй предохранитель (на 0,5 А) нужно установить на выводе 2 трансформатора.
Описание и принцип работы пуско-зарядного устройства
Здесь особо сложного ничего нет. Сетевое U = 220 В подаётся через выключатель на первичную обмотку трансформатора, а на вторичной происходит уменьшение переменного напряжения. Потом оно сглаживается двухполупериодным или мостовым выпрямителем, собранным на мощных диодах. Далее пульсирующее напряжение может быть отфильтровано посредством электролитических конденсаторов. При необходимости около выхода осуществляется увеличение напряжения, что делается с помощью усилителей, в которых основными компонентами являются транзисторы, тиристоры.
Из недостатков описываемого пуско-зарядного устройства можно отметить разве что солидный вес, что обусловлено установкой мощного и, как следствие, габаритного трансформатора. Ниже – схема двухполупериодного пуско-зарядного устройства своими руками:
В этой схеме задействован лабораторный трансформатор ЛАТР. Вместо двух диодов можно использовать и диодный мост типа КЦ405. Схема пуско-зарядного устройства для автомобиля с усилителем:
Как сделать пуско-зарядное устройство своими руками, чтобы оно наверняка заработало? Нужно соблюдать параметры деталей. Мощность указанных на картинке тиристоров – не менее 80 А (если будет использоваться диодный мост, то от 160 А). Диоды на ток – 100–200 А. Транзистор – КТ361 либо КТ 3102 (можно любой другой с такими же параметрами). Мощность используемых резисторов – от 1 Вт.
Собранное своими руками зарядно-пусковое устройство подключается через зажимы-крокодилы к АКБ в соответствии с полярностью. При нормально заряженной батарее с ПЗУ энергия поступать не будет. Если же АКБ не функционирует, тиристорный переход откроется, и зарядный ток пойдёт на батарею и стартер.
Расчёт обмоток трансформатора
Сначала нужно подобрать магнитопровод, сечение которого должно быть не меньше 37 кв. см. Чтобы рассчитать количество витков в первичной обмотке, необходимо воспользоваться формулами: Т = 30/S, где S – площадь магнитопровода и N = 220*Т, то есть W1 = 220*30/37 = 178 витков. Для обмотки необходимо использовать изолированный провод сечением не менее 2 кв. мм. Формула для вторичной обмотки: W2 = 16*Т = 16*30/37 = 13 витков. Здесь понадобится шина из алюминия площадью 36 кв. мм.
Стоит заметить, что формулы не всегда могут выдавать точное число обмоток (особенно вторичной), поэтому можно применить метод подбора. Намотав первичную обмотку, накрутите несколько витков вторичной и измерьте получившееся напряжение, не обрезая шину. Таким образом нужно добиться на выходе значения 14–16 В.
Дело будет обстоять проще, если у вас имеется ЛАТР – лабораторный трансформатор. От него нужно взять сердечник. Количество витков первичной обмотки – 265–295. Используйте изолированный провод сечением 2 мм. Намотку производите в три слоя. Далее обязательно проверьте значение тока холостого хода (включите мультиметр в разрыв между сетью 220 В и одним из концов обмотки). Прибор должен показывать 210–390 мА. Если показания больше, число витков нужно увеличить, в противном случае, наоборот, уменьшить. Вторичная обмотка разделена на две секции, в каждой из которых 15–18 витков. Здесь понадобится провод сечением 10 кв. мм.
Расчёт выпрямителя
Далее рассмотрены параметры электронных компонентов (помимо указанных выше), применяемых в обеих схемах:
- Диоды. Максимальный пропускаемый ток не должен быть менее 100 А. Это могут быть В200, Д141, 2Д141, 2Д151 и иные аналогичные детали. Вместо КД105 не возбраняется применять КД209 или даже Д226. Стабилитрон – Д808, 2С182 и т. п.
- Тиристоры. I = 80 А и более: ТС185, Т15-80, Т15-100, Т161, Т125 и т. п. Если используется вариант выпрямления тока с диодным мостом, тиристоры будут мощнее вдвойне: Т15, Т160, Т250, Т16 и другие, аналогичные.
- Транзисторы. Здесь важен коэффициент усиления h = 21э. Это КТ361 либо КТ3107 проводимостью n-p-n. Вместо КТ816 подойдёт и КТ814.
- Резисторы. Желательно, чтобы их мощность была не менее 1 Вт.
- Выключатель. Должен держать ток от 6 А.
Подбор сечения проводов
Подбирая выходные провода, которые будут присоединяться к аккумулятору, нужно помнить, что их диаметр не может быть меньше такого же параметра вторичной обмотки. Лучше использовать многожильный медный кабель, используемый в сварочных аппаратах, где каждый проводок имеет сечение 2,5 кв. мм. Такую же площадь должен иметь провод, посредством которого самодельный аппарат будет подключаться к сети. Не забудьте приобрести мощные зажимы-крокодилы для подключения к клеммам АКБ. Здесь тоже рекомендуется использовать изделия, применяемы при сварке («масса»).

























































