Провода подключения электроприборов
| Тип подключения | Сечение, мм 2 | Цвет изоляции |
| Минусовая клемма АКБ – «масса» автомобиля (кузов, двигатель) | 16 | Чёрный |
| Плюсовой вывод стартера — аккумулятор | 16 | Красный |
| Положительный контакт генератора — плюс АКБ | 6 | Чёрный |
| Генератор — разъем чёрного цвета | 6 | Чёрный |
| Клемма на генераторе «30» – колодка МБ белого цвета | 4 | Розовый |
| Разъем стартера «50» – реле его запуска | 4 | Красный |
| Реле пуска стартера — чёрный разъем | 4 | Коричневый |
| Реле включения зажигания — разъем чёрного цвета | 4 | Голубой |
| Вывод замка зажигания «50» – голубой разъем | 4 | Красный |
| Разъем замка зажигания «30» – зелёный разъем | 4 | Розовый |
| Штекер правой фары – «масса» | 2,5 | Чёрный |
| Штекер левой фары — голубой разъем | 2,5 | Зелёный, серый |
| Вывод генератора «15» – разъем жёлтого цвета | 2,5 | Оранжевый |
| Разъем правой фары – «масса» | 2,5 | Чёрный |
| Разъем левой фары — белый разъем | 2,5 | Зелёный |
| Электровентилятор радиатора – «масса» | 2,5 | Чёрный |
| Вентилятор радиатора — красный разъем | 2,5 | Голубой |
| Вывод замка зажигания «30/1» – реле включения зажигания | 2,5 | Коричневый |
| Контакт замка зажигания «15» – одноконтактный разъем | 2,5 | Голубой |
| Правая фара — разъем чёрного цвета | 2,5 | Серый |
| Разъем замка зажигания «INT» – чёрный разъем | 2,5 | Чёрный |
| Шестиконтактная колодка подрулевого переключателя – «масса» | 2,5 | Чёрный |
| Двухконтактная колодка подрулевого выключателя — лампа подсветки бардачка | 1,5 | Чёрный |
| Лампа подсветки бардачка — прикуриватель | 1,5 | Чёрный |
| Прикуриватель — голубой разъем блока | 1,5 | Голубой, красный |
| Обогреватель заднего стекла — разъем белого цвета | 1,5 | Серый |
Языки
Изготовляем реле поворотов 12В-233747 (“Жигули”), а также производим ремонт. Изделие является аналогом прерывателя указателей поворотов 23.3747 “Автоприбор”, г. Владимир.
Напряжение питания, В
ВАЗ 1111, 2104, 2105, 2106, 2107, 21213, ИЖ 2126, 2715
В системе световой сигнализации автомобилей ВАЗ старого модельного ряда применяется несколько типов электронных реле-прерывателей указателей поворота и аварийной сигнализации, реле 23.3747, 231.3747, 49.3747 или 491.3747.
Электронные реле 23.3747, 231.3747 указателей поворота и аварийной сигнализации.
На автомобилях ВАЗ-2106, 2107 выпуска до 1985 года установлено реле 23.3747 собранное на интегральных микросхемах. Реле 23.3747 закреплено под щитком приборов на стенке коробки воздухопритока. Если лампы указателей поворота неисправны, произошло перегорание или обрыв в цепи ламп, то реле-прерыватель обеспечивает постоянное горение контрольной лампы на панели приборов.
Электрическая схема реле 23.3747 указателей поворота и аварийной сигнализации.
Электрическая схема включения реле 23.3747 указателей поворотов и аварийной сигнализации.
С 1985 года на ВАЗ-2107 устанавливается реле-прерыватель 231.374, изготовленное на базе дискретных элементов. Оба реле-прерывателя имеют одинаковые технические характеристики. Они обеспечивают мигание ламп указателей поворота с частотой 60-120 циклов в минуту при номинальной нагрузке 92 Вт, температуре окружающего воздуха от минус 20 до плюс 50 градусов и величине напряжения 10,8-15 Вольт.
Основные технические характеристики реле указателей поворота и аварийной сигнализации 231.3747.
— Номинальное напряжение, В : 12 — Коммутируемая нагрузка в режиме указания поворота, количество и мощность ламп в Вт : 2х21+1х4 — Коммутируемая нагрузка в режиме аварийной сигнализации, количество и мощность ламп в Вт : (2х21+1х4)х2 — Количество и тип контрольных ламп : 1хАМН12-3-1 — Частота прерываний, циклов в минуту : 60-120 — Конструкция электрического подключения : колодка штыревая аналог 502606 ОСТ 37.003.032, штекер 6,3 — Габаритные размеры : 34х47х85,5 — Масса, кг : 0,13
В отличие от реле 23.3747 у реле-прерывателя 231.3747 отсутствует вывод «5», а напряжение питания подается только на вывод «1». Поэтому стал не нужен коричневый провод, соединяющий вывод «5» реле-прерывателя с выводом «6» выключателя аварийной сигнализации.
Чтобы при необходимости можно было установить реле 23.3747 вместо реле-прерывателя 231.3747, в колодке жгута проводов вывод «1» реле-прерывателя соединен с выводом «5». Реле-прерыватель 231.3747 обеспечивает удвоенную частоту мигания контрольной лампы на панели приборов в случае перегорания одной из ламп или обрыва в цепи ее питания.
На автомобилях ВАЗ-2108, ВАЗ-2109, ВАЗ-2110 и их модификациях применяется электронное реле-прерыватель 491.3747, кроме того на ВАЗ-2108, ВАЗ-2109 возможна установка реле-прерывателя 49.3747.
Основные технические характеристики реле указателей поворота и аварийной сигнализации 491.3747.
— Номинальное напряжение, В : 12 — Коммутируемая нагрузка в режиме указания поворота, количество и мощность ламп в Вт : 2х21+1х4 — Коммутируемая нагрузка в режиме аварийной сигнализации, количество и мощность ламп в Вт : (2х21+1х4)х2 — Масса, кг : 0,05
Электрические схемы реле-прерывателя 49.3747 указателей поворота и аварийной сигнализации.
Электрические схемы реле-прерывателя 491.3747 указателей поворота и аварийной сигнализации.
Назначение устройства
Изначально следует отметить, что повороты функционируют не так, как прочие световые приборы на автомобиле. Они работают в прерывистом режиме, что обеспечивается посредством такого изделия, как реле(прерыватель) поворотов ВАЗ-2107.
Следует также отметить и тот факт, что помимо прерывистого режима работы, реле поворотов издают звуковые сигналы в виде щелчков, которые помогают водителю. По этим щелчкам водитель понимает, что устройство функционирует в данный момент.
Помимо того, что прерыватель отвечает за функционирование световой сигнализации, необходимой для маневров, так он еще и позволяет им работать в режиме аварийки. На ВАЗ-2107 применяется электронное реле, частота мигания ламп которого зависит от настройки электронной схемы. Выше представлено фото современного электронного реле поворотов, которое используется на автомобилях ВАЗ-2107.
Диагностика неисправностей поворотников
Если однажды поворотники перестают функционировать, то это говорит о том, что пришло время провести диагностику автомобиля. Для этого нет необходимости ехать на СТО, а можно выполнить все в домашних условиях. О том, что механизм перестал функционировать, говорят следующие признаки:
- При включении поворотники горят, но при этом не происходит их мерцание. Такой вид поломки связан непосредственно с выходом из строя реле. Для исправления неисправности требуется заменить прерыватель.
- Ускоренное или замедленное мерцание поворотников. Ускоренное мерцание говорит о том, что перегорела спираль одной из ламп. Медленное мерцание свидетельствует о том, что в схеме подключена минимум одна лампа большей мощности, чем рекомендуется. Многие автомобилисты с появлением современных светодиодных ламп стремятся установить их на авто. При установке светодиодных ламп в поворотники наблюдается слишком быстрое их мерцание, это связано с их низкой потребляемой мощностью.
- Устройства вовсе не функционируют. Причина может заключаться в неисправности реле, предохранителя, подрулевого переключателя или кнопки включения аварийки. Схема подключения выполнена так, что питание поворотников проходит через кнопку включения аварийки. Если кнопка неисправна, то и повороты не будут функционировать.

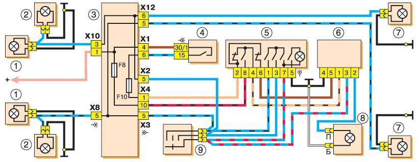
Для наглядности представим схему указателей поворотов и аварийки для семерки. В нее входят:
- блок-фары с лампочками указателей поворота;
- указатели поворота расположенные на передних крыльях авто(боковые);
- монтажный блок;
- замок зажигания;
- кнопка аварийки;
- рассматриваемое реле;
- лампочки поворотников расположенные в задних фонарях;
- лампочка на панели приборов, сигнализирующая о включении поворотов;
- подрулевой переключатель.
Где найти реле на ВАЗ-2107
Где же находится устройство, отвечающее за прерывистое функционирование сигнала поворотов? Располагаться релюшка может в двух местах на ВАЗ-2107: в монтажном блоке пли за приборной панелью.
В карбюраторных «семерках» изделие находится за приборной панелью в салоне автомобиля, а в инжекторных – на монтажном блоке, который находится под капотом. Конструктивно прерыватель представляет собой коробочку с контактами снаружи. Изделие не подлежит ремонту, поэтому при выходе из строя требуется осуществить его замену.
Особенности замены прерывателя
Если обнаружено, что реле поворотов вышло из строя, то требуется осуществить его замену. Изделие, находящееся в монтажном блоке требуется поддеть и демонтировать. Если оно неисправно, в чем обязательно требуется убедиться, то вместо него следует установить новое. Так осуществляется замена для инжекторных “семерок”. Выполнить же замену на карбюраторных «семерках» намного сложнее. Процесс замены выглядит так:
- Нужно снять приборную панель, поддев ее при помощи отвертки.
- После этого пробуем вытянуть ее на незначительное расстояние, если имеется такая возможность. Если длина проводов не позволяет вывести панель на некоторое расстояние, то соединения следует разъединить.
- Отвинтить трос привода спидометра.
- Найти визуально реле, и отсоединить от него контактные провода.
- Также от него отсоединяем «массу» после чего устройство демонтируем.
- Вместо старого прерывателя поворотов следует установить новое реле.
- В завершении собрать и подключить все демонтированные детали в порядке обратном снятию.
Подводя итог, следует отметить, что прерыватель является одним из важнейших узлов каждого автомобиля, и необходимо следить за его исправностью. От него напрямую зависит безопасность дорожного движения.
П О П У Л Я Р Н О Е:
</center>
Принципиальная электрическая схема автомобиля ВАЗ-2107
Имея под рукой принципиальную электрическую схему автомобиля и любой простейший вольтметр для измерения постоянного напряжения минимум до 15 вольт и омметр (можно собрать самому этот), имея даже небольшие познания в электротехнике можно самому разобраться в поломке электрической части своего автомобиля. Подробнее…
Установка предпускового подогревателя на ВАЗ-2107i</li>
«Семёрка», купленная по программе утилизации, наконец вышла из гарантии. Руки «чесались» давно, но внутренний голос твердил: «Низзя!». После 2-х «шестёрок» впечатления о ВАЗ-2107 были, мягко говоря, достаточно средние.
Особо раздражали плохая вентиляция, печка и зеркало заднего вида (в отличие от 2106 — без рычажка). С зеркалом проще – покупаем (у нас -150р) «шестёрочное» и ставим.
Поэтому серьёзные переделки решено было начать с переделки печки и установки предпускового подогревателя. Подробнее…
Упрощенный авометр своими руками для начинающего радиолюбителя</li>
Начинающим радиолюбителя можно рекомендовать изготовить не сложный прибор, наиболее часто используемым при ремонте или настройки радиотехнических устройств. Авометр объединяет в себе многопредельные амперметр и вольтметр постоянного и переменного тока, омметр, а иногда еще и испытатель маломощных транзисторов. Подробнее…
</ul><left>Популярность: 79 812 просм.</left> Вы можете следить за комментариями к этой записи через RSS 2.0. Вы можете оставить комментарий:. <center>
– НАВИГАТОР –
« позже Программа контроля за автозагрузкой компьютера 2IP StartGuardДва варианта схем звуковой приманки для рыб раньше » </center>
ПДД предписывают особый способ предупреждения о маневрах, которым обязательно следует пользоваться, если лампы указателей поворота перестали гореть в пути. Рассмотрим, почему не работают поворотники и как устранить причину поломки. Речь пойдет об устройстве, принципе работы и неисправностях систем с использованием реле поворотников на основе интегральных микросхем. Старые конструкции с биметаллическими пластинами, а также полностью электронные системы, ввиду их специфики и небольшой распространенности, рассматривать не будем.
Замена реле поворотников ВАЗ 2107
Конструкция реле не предусматривает возможности его ремонта. При обнаружении неисправности необходимо выполнить замену детали.
Если реле находится в монтажном блоке, для его замены достаточно выполнить простые действия:
- открыть крышку монтажного блока;
- поддеть отверткой и извлечь старое реле;
- установить новое реле;
- закрыть крышку монтажного блока.
Если реле находится за приборной панелью, заменить его намного сложнее. Во избежание замыкания лучше отсоединить провод “массы” от аккумулятора. Замена реле поворотников выполняется следующим образом:
- Открутить и снять кнопку (рукоятку) счетчика суточного пробега.
- Демонтировать декоративные ручки с рычагов управления отопителем салона.
- Снять декоративную заглушку с самореза крепления приборной панели.
- Выкрутить саморез.
- Отщелкнуть крепления приборной панели, поддев ее отверткой.
- Отщелкнуть колодки проводов с панели приборов.
- Вручную открутить трос спидометра.
- Демонтировать приборную панель.
- Отстыковать клеммы проводов от реле поворотом.
- Открутить гайку крепления реле.
- Подключить клеммы проводов
- Установить реле на место и затянуть гайку крепления.
- Подключить клеммы проводов к приборной панели.
- Прикрутить к приборной панели трос спидометра.
- Установить панель на место, защелкнув крепления.
- Закрутить саморез, фиксирующий приборную панель.
- Установить декоративные ручки на рычаги управления отопителем.
- Прикрутить рукоятку счетчика суточного пробега.
- Установить декоративную заглушку на саморез.
После этого необходимо подключить провод массы к АКБ. Замена реле поворотников на этом завершена.
Поворотники являются, пожалуй, очень важной частью любого транспортного средства. Выполнение маневров на дороге становится довольно опасной задачей если
За правильную работу указателей поворотов отвечает реле поворотников и аварийной сигнализации ВАЗ 2107. Данное устройство применяется на всех автомобилях классического семейства. Рассмотрим, для чего нужно реле поворотников, как определяется неисправность реле и как выполняется его замена?
Устройство и принцип работы электромагнитно-теплового реле поворотов
Реле этого типа имеют не слишком сложное устройство. Его основу составляет электромагнитное реле традиционной конструкции — цилиндрический сердечник с обмоткой из тонкого медного провода. В верхней части сердечника расположены две контактные группы, а по бокам — гибкие металлические якоря (или, как их называют, якорьки). Одна контактная группа предназначена для замыкания цепи контрольной лампы «поворотников», расположенной на приборной панели. А вторая контактная группа непосредственно замыкает цепи ламп указателей поворота, и именно ее конструктивные особенности обеспечивают мигание «поворотников».
Якорь контактной группы ламп указателей поворотов с помощью тонкой нихромовой струны оттянут от контакта, расположенного на сердечнике, поэтому в нормальном положении цепь указателей поворота разомкнута. Противоположный конец струны зафиксирован на площадке из изоляционного материала, которая служит основой для установки сердечника. Нихромовая струна через резистор подключена к цепи выключателя указателей поворота, поэтому через нее во время работы реле протекает ток.
Вся эта конструкция помещена в металлический корпус цилиндрической формы, дном корпуса служит площадка из изоляционного материала с реле. В нижней части площадки выведены контакты, с помощью которых реле-прерыватель включается в цепь указателей поворота.
Работа электромагнитно-теплового реле довольно проста и сводится к следующему. При включении сигнала поворота замыкается цепь, в которую входят лампы «поворотников», резистор, обмотка реле и нихромовая струна. За счет сопротивления резистора подаваемое на лампы напряжение мало, поэтому их нити горят в полнакала. Нихром, как известно, обладает высоким удельным сопротивлением и сильно нагревается при протекании тока — благодаря этому нагреву нихромовая струна увеличивает свою длину, и оттянутый ею якорек под действием притяжения сердечника выпрямляется и в какой-то момент замыкает контактную группу. В результате ток начинает течь в обход резистора и нихромовой струны, и лампы указателей поворота загораются в полную силу.
Однако прекращение нагрева струны приводит к ее остыванию и укорачиванию, и якорек снова оттягивается от сердечника, размыкая контакты — лампы указателей поворота гаснут, и цикл повторяется снова. Нагрев и остывание нихромовой струны происходит быстро, поэтому мигание ламп происходит с частотой в пределах от 60 до 120 раз в минуту.
С текущим положением контактной группы ламп указателей поворота (назовем ее первой) связана работа и контактной группы сигнальной лампы (назовем ее второй). При разомкнутых контактах первой группы по обмотке протекает ток, однако его недостаточно для притяжения якорька второй группы, поэтому сигнальная лампа не горит. При вытягивании струны и замыкании первой контактной группы текущий по обмотке ток резко возрастает, и его уже достаточно для притяжения якорька второй контактной группы. В результате одновременно с миганием указателей поворота мигает и сигнальная лампа на приборной панели.
Характерные щелчки во время работы указателей поворота возникают вследствие ударов якорьков о контакты при их замыкании и размыкании. Щелчки — характерная особенность электромагнитных реле, и в прерывателях она пришлась весьма к месту.
Электромагнитно-тепловое реле обладает простой конструкцией, и в этом заключается его основное преимущество. Но недостатков у этого типа реле гораздо больше: с течением времени струна вытягивается, в результате реле перестает нормально функционировать, во время работы реле нагревается, что изменяет его характеристики, а при перегорании одной из ламп указателей поворота частота мигания второй лампы значительно уменьшается, а в некоторых случаях лампа и вовсе перестает загораться.
На сегодняшний день электромагнитно-тепловые реле-прерыватели вытеснены более современными и совершенными электронными реле.
Мультивибраторная система
Это более современное схемное решение, реализованное на полупроводниковых элементах – транзисторах или микросхемах. Суть в том, что триоды работают в режиме ключа – способны выполнять функции выключателя. Минусов у систем такого типа много, плюсов тоже предостаточно. Несмотря на практически равное соотношение, они успешно применяются во многих импортных автомобилях. Конечно же, чем «круче» эмблема машины, тем надежнее мультивибраторная схема управления указателями поворотов.
Параметры этого реле таковы, что все зависит от характеристик отдельных элементов, используемых в схеме. Так, если транзистор используется с большим коэффициентом усиления, чем необходимо, либо его ВАХ неустойчива, работа системы окажется неправильной – указатели либо будут постоянно гореть, либо вообще не сработают.

Нередко такие симптомы возникают при увеличении напряжения (например, при 12 В все работает, а при 13 В нет). Самостоятельно исправить можно, если разобрать корпус и установить в коллекторной и базовой цепях резисторы с большим сопротивлением. Проще выход – на входе питания впаять стабилитрон, который поддержит уровень напряжения на одном значении (для этого необходимо подобрать правильно тип устройства).
Назначение устройства
Изначально следует отметить, что повороты функционируют не так, как прочие световые приборы на автомобиле. Они работают в прерывистом режиме, что обеспечивается посредством такого изделия, как реле(прерыватель) поворотов ВАЗ-2107.
Следует также отметить и тот факт, что помимо прерывистого режима работы, реле поворотов издают звуковые сигналы в виде щелчков, которые помогают водителю. По этим щелчкам водитель понимает, что устройство функционирует в данный момент.
Помимо того, что прерыватель отвечает за функционирование световой сигнализации, необходимой для маневров, так он еще и позволяет им работать в режиме аварийки. На ВАЗ-2107 применяется электронное реле, частота мигания ламп которого зависит от настройки электронной схемы. Выше представлено фото современного электронного реле поворотов, которое используется на автомобилях ВАЗ-2107.
Диагностика неисправностей поворотников
Если однажды поворотники перестают функционировать, то это говорит о том, что пришло время провести диагностику автомобиля. Для этого нет необходимости ехать на СТО, а можно выполнить все в домашних условиях. О том, что механизм перестал функционировать, говорят следующие признаки:
- При включении поворотники горят, но при этом не происходит их мерцание. Такой вид поломки связан непосредственно с выходом из строя реле. Для исправления неисправности требуется заменить прерыватель.
- Ускоренное или замедленное мерцание поворотников. Ускоренное мерцание говорит о том, что перегорела спираль одной из ламп. Медленное мерцание свидетельствует о том, что в схеме подключена минимум одна лампа большей мощности, чем рекомендуется. Многие автомобилисты с появлением современных светодиодных ламп стремятся установить их на авто. При установке светодиодных ламп в поворотники наблюдается слишком быстрое их мерцание, это связано с их низкой потребляемой мощностью.
- Устройства вовсе не функционируют. Причина может заключаться в неисправности реле, предохранителя, подрулевого переключателя или кнопки включения аварийки. Схема подключения выполнена так, что питание поворотников проходит через кнопку включения аварийки. Если кнопка неисправна, то и повороты не будут функционировать.
Для наглядности представим схему указателей поворотов и аварийки для семерки. В нее входят:
- блок-фары с лампочками указателей поворота;
- указатели поворота расположенные на передних крыльях авто(боковые);
- монтажный блок;
- замок зажигания;
- кнопка аварийки;
- рассматриваемое реле;
- лампочки поворотников расположенные в задних фонарях;
- лампочка на панели приборов, сигнализирующая о включении поворотов;
- подрулевой переключатель.
Где найти реле на ВАЗ-2107
Где же находится устройство, отвечающее за прерывистое функционирование сигнала поворотов? Располагаться релюшка может в двух местах на ВАЗ-2107: в монтажном блоке пли за приборной панелью.
В карбюраторных «семерках» изделие находится за приборной панелью в салоне автомобиля, а в инжекторных – на монтажном блоке, который находится под капотом. Конструктивно прерыватель представляет собой коробочку с контактами снаружи. Изделие не подлежит ремонту, поэтому при выходе из строя требуется осуществить его замену.
Особенности замены прерывателя
Если обнаружено, что реле поворотов вышло из строя, то требуется осуществить его замену. Изделие, находящееся в монтажном блоке требуется поддеть и демонтировать. Если оно неисправно, в чем обязательно требуется убедиться, то вместо него следует установить новое. Так осуществляется замена для инжекторных “семерок”. Выполнить же замену на карбюраторных «семерках» намного сложнее. Процесс замены выглядит так:
- Нужно снять приборную панель, поддев ее при помощи отвертки.
- После этого пробуем вытянуть ее на незначительное расстояние, если имеется такая возможность. Если длина проводов не позволяет вывести панель на некоторое расстояние, то соединения следует разъединить.
- Отвинтить трос привода спидометра.
- Найти визуально реле, и отсоединить от него контактные провода.
- Также от него отсоединяем «массу» после чего устройство демонтируем.
- Вместо старого прерывателя поворотов следует установить новое реле.
- В завершении собрать и подключить все демонтированные детали в порядке обратном снятию.
Подводя итог, следует отметить, что прерыватель является одним из важнейших узлов каждого автомобиля, и необходимо следить за его исправностью. От него напрямую зависит безопасность дорожного движения.
Рассмотрены автомобили ВАЗ 2107, ВАЗ 21047 карбюратор, инжектор
Расположение блока предохранителей ВАЗ 2107 под капотом
Монтажный блок предохранителей и реле цифра 5
Замена реле поворотов
Нужная подмена реле поворотов ВАЗ 2106 начинается с подготовки рабочего места для проведения таковой технологической операции. Для этого требуется:
1. Высвободить от зажимов щиток устройств, зачем используем отвертку с узким жалом либо шило.
2. Потом отжимаем распорные фиксаторы в местах установки и вытаскиваем комбинацию устройств
Замена реле поворотов ВАЗ 2101 на 2106
Партнерская программка You Tube : Автополезняшки: Указатель поворотов
в зеркале: .
3. Разъединяем колодки проводов, за ранее пометив их маркером либо краской.
4. Отвинчиваем трос датчика скорости.
5. Подсоединяем провод с голубой изоляцией к третьему разъему освеженного изделия, который является контактом контрольной лампы на композиции устройств.
6. Прикручиваем к четвертому разъему освеженного изделия свободный участок провода, который потом подсоединяем к «массе» (месту крепления новейшей «релюшки»).
7. Соединяем провод с бело-черной изоляцией (в неких моделях – с фиолетовой оплеткой) и 2-ой разъем реле поворотов, также с седьмым разъемом, который выходит на кнопку аварийной сигнализации (номерные обозначения указаны на задней части детали).
8. Провод с оранжевой оплеткой с цифрой 4 подсоединяем к контакту №2 кнопки выключения.
9. 1-ый выходной контакт реле указателей поворота ВАЗ 2106 подсоединяем с контактом №4 аварийного пускателя.
10. Восьмой разъем аварийного пускателя запитываем с контактом 1 предохранителя.
11. 1-ый разъем аварийного пускателя подсоединяем к проводу в голубой оплетке.
12. А 3-ий выводной контакт «аварийки» подсоединяем к проводу в черно-голубой оплетке.
Такая подмена реле поворотов делается из-за нередкого выхода из строя штатного изделия. В процессе эксплуатации штатного реле поворотов приходит момент, когда оно начинает временами работать неправильно. Это можно увидеть по отсутствию возгорания «контрольки». Причина – в отсутствие полного замыкания изделия. Отсутствие звукового сопровождения маневра поворота сформировывает иллюзию, что реле указателей поворота неисправно.
В другом случае неисправность изделия проявляется в нестабильном периоде функционала изделия. Это связано с временным интервалом замыкания релейных контактов. Последующее – штатное реле указателей поворота работает с маленьким уровнем громкости, что делает делему при несанкционированном включении при случайном задевании в процесс вождения автомобиля.
Убрать перечисленные выше недочеты можно в процессе подмены реле поворотов со штатного на электрический эталон. Распиновка реле электрического типа представлена ниже
Нужно уяснить, что требуется не плохая изоляция контактов, при этом это необходимо делать при помощи изоляционной ленты и кембрика (полой пластмассовой оплетки) Это нужно для исключения вероятных замыканий с другой проводкой. Очередной особенностью является тот момент, что реле указателей поворота ВАЗ 2106 электрического типа интегрировано в корпус из пластмассы и его линейные размеры не дают способности произвести установку на штатной позиции. Не считая того, наличие дополнительного «лепестка» также мешает процессу монтажа.
Нужно самостоятельное решение, чтоб провести подключение реле поворотов нового эталона. Мы хотим предложить в качестве кандидатуры применить т.н. «стрип» – стягивающий хомут пластмассового типа для крепежа электронной проводки. Такое крепление представляется довольно длительным и надежным.
Доработка схемы реле
Количество последовательно устанавливаемых светодиодов можно определить опытным путём, но на практике достаточно 5 штук: такой нагрузки вполне достаточно для срабатывания цепи. Цепь на плате при этом размыкается, что позволяет ему работать как с обычными, так и со светодиодными лампами. Однако в том случае устройство не сможет сигнализировать о том, что лампочка указателя поворотов перегорела.
Алгоритм доработки рассматривается на примере реле, которое работает с использованием контроллера U643B производства китайской компании Atmel. Такие контроллеры часто применяются в схемах электронного оборудования современных легковых автомобилей.
Одна из функций такого контроллера заключается в том, чтобы предупреждать о неисправности лампочек указателя поворотов. Критерием неисправности служит критичное уменьшение тока в цепи, вследствие этого частота мигания резко возрастает.

Схема электронного реле поворотов для светодиодов
Рабочее значение тока светодиода устанавливается на выводе схемы контроллера «Lamp failure detection». Нюанс в том, что КПД светодиодных ламп значительно больше, чем обычных. Неудобство заключается в том, что потребляемый ток снижается, а повышенное мерцание светодиодов воспринимается контроллером как неисправность реле поворотов.
Для того, чтобы избавиться от такого недостатка, просто следует заменить резистор R3 схемы на более мощный. Это приведёт к росту общей нагрузки, и соответственному увеличению силы тока — до значений, при котором мигания поворотников уже не будет.
Альтернативное решение для некоторых автолюбителей состоит в том, что в схеме вырезается тот участок цепи, который отвечает за измерение силы тока. Однако в том действии проявляется и серьёзная проблема.
Поскольку контроллер U643B работает с уже выставленными производителем своими начальными параметрами, то при таком «тюнинге» указателя поворота можно случайно изменить так называемый Device Code – код идентификации контроллера внешними устройствами. Перепрошить его невозможно. Кроме того, вырезав один из контактов в схеме реле поворотов, можно получить частое мигание поворотников, что не всегда удовлетворяет пользователя авто.
Обратное восстановление, скорее всего, ничего не даст, поскольку контроллер реле уже «запомнил» свои новые параметры и изменил Device Code.
Виды прерывателей и их особенности
Современные поворотные реле, в основном, подразделяются на два типа: термоэлектромагнитные и электронные. Каждому прибору присущи свои достоинства и недостатки, об этом и пойдет речь. Термоэлектромагнитные реле содержат в основе сердечник с двумя контактными группами и боковыми якорьками. Кроме того, они имеют обмотку из медной проволоки. Контакты, ведущие к лампочкам, подключены к нихромовой тонкой проволоке, а та, в свою очередь, к пластине, замыкающейся на сердечник.
В обычном состоянии, когда ток не идет в цепь, пластина не примыкает к его основанию. Когда электроны начинают перемещаться, нихромовая проволока нагревается, удлиняется и замыкает пластину с сердечником. Лампочки загораются. После идет остывание нихрома, пластинка снова отходит, ток меняет направление, а лампочки горят вполнакала. Так как процесс охлаждения-нагрева происходит довольно быстро, 1–2 раза в секунду, происходит мигание поворотников. Так как в цепь подключена и лампочка, расположенная на панели приборов, она также начинает пульсировать. Специфическое щелканье прерывателя – следствие циклических ударов якорьков о контакты.

Мигание поворотников авто
Реле подобного типа устанавливалось на все автомобили в течение довольно-таки длительного времени, однако оно имело (и имеет) существенный недостаток. Со временем проволока из нихрома вытягивается, и указатели поворота больше не работают. Помимо этого, существует еще и другой момент. Если одна из лампочек перегорает, значительно возрастает нагрузка на другие. В последние годы термоэлектромагнитные реле практически уже не устанавливаются на автомобили. Им на смену пришли более надежные электронные прерыватели.
Электронные реле указателей поворотов построены по тому же принципу, что и тепловые, но вместо проволоки из нихрома здесь действует электронная схема из транзисторов. В управляющую микросхему заложен алгоритм, благодаря которому производятся автоматические импульсы, в определенные моменты подающие ток на обмотку сердечника. Сама работа устройства заключена в следующем: после подачи напряжения на транзисторы от них идут частотные импульсы, имеющие те колебания, которые задаются программой в микросхеме. Проходя по цепи, ток притягивает якорь, замыкая контакты, ведущие к осветительным приборам, в результате чего лампочки загораются. Так как цикл состоит из различных по частоте сигналов, они то работают в полный накал, то тускнеют.

























































